banner

破解MOSFET开关瓶颈:米勒效应原理与器件创新优化

来源:微信公众号  更新时间2025-05-06 09:09:23

图片
图片

MOSFET

米勒效应



01

米勒效应

图片

米勒效应(Miller effect)是在电子学中,反相放大电路中,输入与输出之间的分布电容或寄生电容由于放大器的放大作用,其等效到输入端的电容值会扩大1+K倍,其中K是该级放大电路电压放大倍数。对于MOSFET,其电容模型如下:


图片


 MOS管内部有寄生电容Cgs,Cgd,Cds。因为寄生电容的存在,所以给栅极电压的过程就是给电容充电的过程。输入电容Ciss=Cgs+Cgd,输出电容Coss=Cgd+Cds,反向传输电容Crss=Cgd,也叫米勒电容。


由于米勒电容的存在,MOSFET驱动波形在开通和关断过程中,会有一个“平台”,在一定时间内,驱动电压是不变的。这就是“米勒平台”。

02

米勒效应分析

图片

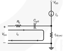
米勒效应是指MOS管G、D的极间电容Crss在开关动作期间引起的瞬态效应。Crss上是高电压,当驱动波形上升到阈值电压时,MOS管导通,D极电压急剧下降,通过Crss拉低G脚驱动电压,如果驱动功率不足,将在驱动波形的上升沿阈值电压附近留下一个阶梯,如下图:


图片
图片

t0—t1阶段


图片

这个过程中,驱动电流ig为Cgs充电,Vgs上升,Vds和Id保持不变。一直到t1时刻,Vgs上升到阈值开启电压Vg(th)。在t1时刻以前,MOS处于截止区。

图片

t1—t2阶段


图片


t1时刻,MOS管就开始导通了,也就标志着Id要开始上升了。这个时间段内驱动电流仍然是为Cgs充电,Id逐渐上升,在上升的过程中Vds会稍微有一些下降,这是因为下降的di/dt在杂散电感上面形成一些压降。从t1时刻开始,MOS进入了饱和区。在饱和有转移特性:Id=Vgs*Gm。其中Gm是跨导,只要Id不变Vgs就不变。Id在上升到最大值以后,而此时又处于饱和区,所以Vgs就会维持不变。

图片

t2-t3阶段


图片


从t2时刻开始,进入米勒平台时期,米勒平台就是Vgs在一段时间几乎维持不动的一个平台。此时漏电流Id最大。且Vgs的驱动电流转移给Cgd充电,Vgs出现了米勒平台,Vgs电压维持不变,然后Vds就开始下降了。

图片

t3-t4阶段


图片


当米勒电容Cgd充满电时,Vgs电压继续上升,直至MOS管完全导通。


所以在米勒平台,是Cgd充电的过程,这时候Vgs变化很小,当Cgd和Cgs处在同等水平时,Vgs才开始继续上升。

03

米勒效应危害

图片

1) 米勒效应会产生米勒平台,也就是开通阶段阻碍驱动电压的上升,关断阶段阻碍驱动电压的下降,延长了开关的时间,导致损耗严重,降低了电路的效率。再者,MOSFET不能快速地开关,易造成稳定性降低。


2) 对于有上下管驱动的电路,有上下管同时导通的危险。

04

旷通超结MOSFET优化改进

图片

在高速、高效率电源系统设计中,MOSFET的米勒效应是长期存在的性能瓶颈,直接影响开关速度与能效表现。为应对这一挑战,我司研发团队深入器件物理层面,创新性地整合并应用了两大核心优化技术,实现了对米勒效应的精准调控。

图片

精密控制的厚栅氧工艺


通过优化栅极氧化层厚度,不仅有效降低了栅极与沟道、漏极漂移区之间的单位面积电容,更在保证器件可靠性与合理阈值电压的前提下,初步削弱了米勒电容(Cgd)的基础值。

图片

先进的Poly Cut栅极结构优化技术


该技术通过高精度光刻与刻蚀,选择性去除传统平面栅极中覆盖在漏极漂移区(JFET区)上方的冗余多晶硅部分,从物理结构上极大减少了栅极与漏极的关键重叠面积。


这两项技术的协同应用产生了1+1>2的效果:厚栅氧降低基础电容,Poly Cut则大幅削减由重叠面积贡献的核心米勒电容。最终结果是Cgd和关键的米勒电荷(Qgd)被降至极低水平,如VMA65R180AFHT Deep Trench SJ MOSFET Cgd仅有0.8pF。


这直接转化为卓越的应用性能:极快的开关瞬态响应(ton/toff显著缩短),极低的开关损耗(Esw大幅下降),支持系统在更高工作频率下运行,同时改善散热表现,全面提升电源系统的功率密度与整体效率。选择我们的MOSFET,为电源管理、电机驱动等高性能应用注入可靠、高效的核心动力!


图片


图片



关于旷通 


无锡旷通半导体有限公司成立于2023年,注册资金3000万元,总部位于国家集成电路特色园区-无锡高新区,专注于高压大电流功率半导体器件的研发、设计和销售,是一家Fabless半导体技术公司。我们与华虹集团建立了紧密的合作关系,充分利用华虹作为全球领先的Fab厂的制造优势,确保产品的卓越品质和制造效率。


公司核心团队由数十位资深功率器件专家组成,具有丰富的功率器件研发和运营以及管理经验。旷通半导已经量产的产品包括:SGT、VDMOS、SJ MOS、IGBT和SiC MOS,正在积极开展SJ IGBT、DT SiC MOS、GaN HEMT的研发工作。


图片

更多信息,请关注旷通半导体官方账号或访问公司官网https://www.vast-semi.com/。


图片