banner

LLC谐振变换器中MOSFET失效机理及优化

来源:微信公众号  更新时间2025-06-18 13:13:08

图片
图片
图片
图片
图片
图片
图片
图片

LLC-MOSFET

可靠性优化


LLC谐振变换器因能满足现代电源设计苛刻的性能要求而成为电力电子领域的热门话题。LLC属于庞大的谐振变换器拓扑家族系列,而谐振腔是该拓扑系列的基础特征。谐振腔是一组以特定频率(称为谐振频率)振荡的电感器和电容器组成的电路。


这种开关模式的DC/DC电源变换器允许采用更高的开关频率 (fSW) 并且降低了开关损耗,因此更适用于高功率和高效率应用。LLC谐振变换器是具有精密系统(即高端消费电子产品)或更高运行功率要求(即为电动汽车充电)的电源应用理想之选。


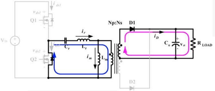
LLC变换器由4个模块组成:电源开关、谐振腔、变压器和整流器。MOSFET功率开关首先将输入的直流电压转换为高频方波;随后方波进入谐振腔,由谐振腔消除方波的谐波并输出基频的正弦波;正弦波再通过高频变压器传输到变换器的副边,并根据应用需求对电压进行升压或降压;最后,二极管整流器将正弦波转换为稳定的直流输出。


图片



图片

电源开关


电源开关可以采用全桥或半桥拓扑实现,每种拓扑都具备自己独特的输出波形。


图片


图片

谐振腔


谐振腔由谐振电容器 (CR) 和两个电感器组成:谐振电感器 (LR)与电容器和变压器串联,励磁电感器 (LM)则与之并联。谐振腔的作用是滤除方波的谐波,将基频开关频率的正弦波输出到变压器的输入端。


图片


图片

软开关


LLC变换器的另一个常见特性是其软开关能力。软开关功能旨在通过利用电流的自然上升与下降、以及电路内部电压来降低开关损耗,以确保电子开关在最有效的时刻导通或关断。如果在电流近似为零时开关,称为零电流开关 (ZCS)。如果在低电压下开关,称为零电压开关 (ZVS)。LLC 变换器凭借其谐振特性,可以同时实现 ZVS 和 ZCS。




图片

LLC谐振变换器的失效

图片


不同于PFC和Flyback等电路,因为LLC电路工作过程中,MOSFET的体二极管要参与大电流的过程,因此LLC电路中的MOSFET对体二极管参数有了很高的要求。


在LLC谐振变换器中的一个潜在失效模式与由于体二极管反向恢复特性较差引起的直通电流相关。即使功率MOSFET的电压和电流处于安全工作区域,反向恢复dv/dt和击穿dv/dt也会在如启动、过载和输出短路的情况下发生。



图片

启动失效模式


在变换器启动开始前,谐振电容和输出电容刚好完全放电。与正常工作状况相比,在启动过程中,这些空电容会使低端开关Q2的体二极管深度导通。因此流经开关Q2体二极管的反向恢复电流非常高,致使当高端开关Q1导通时足够引起直通问题。启动状态下,在体二极管反向恢复时,非常可能发生功率MOSFET的潜在失效。


图片


在t0-t1时段,谐振电感电流Ir变为正。由于MOSFET Q1处于导通状态,谐振电感电流流过MOSFET Q1沟道。当Ir开始上升时,次级二极管D1导通。


图片


在t1-t2时段,MOSFET Q1门极驱动信号关断,谐振电感电流开始流经MOSFET Q2的体二极管,为MOSFET Q2产生ZVS条件。这种模式下应该给MOSFET Q2施门极信号。由于谐振电流的剧增,MOSFET Q2体二极管中的电流比正常工作状况下大很多。导致了MOSFET Q2的P-N结上存储更多电荷。


图片


在t2-t3时段,MOSFET Q2施加门极信号,在t0-t1时段剧增的谐振电流流经MOSFET Q2沟道。由于二极管D1依然导通,该时段内谐振电感使得谐振电流下降,然而很小,并不足以在这个时间段内使电流反向。在t3时刻,MOSFET Q2电流依然从源极流向漏极。另外,MOSFET Q2的体二极管不会恢复,因为漏源极之间没有反向电压。


图片


在t3~t4时段,谐振电感电流经MOSFET Q2体二极管续流。尽管电流不大,但依然给MOSFET Q2的P-N结增加储存电荷。在t4~t5时段,MOSFET Q1通道导通,流过非常大的直通电流,该电流由MOSFET Q2体二极管的反向恢复电流引起。这不是偶然的直通,因为高、低端MOSFET正常施加了门极信号;如同直通电流一样,它会影响到该开关电源。这会产生很大的反向恢复dv/dt,有时会击穿MOSFET Q2。这样就会导致MOSFET失效,并且当采用的MOSFET体二极管的反向恢复特性较差时,这种失效机理将会更加严重。



图片

过载失效模式


LLC谐振变换器根据工作频率和负载呈现ZVS(零电压开通)或ZCS(零电流关断)特性,其中ZVS通过在零电压时开通MOSFET来降低开关损耗和应力,通常优于ZCS;然而,在过载情况下,变换器的工作点可能偏移至ZCS区域,导致硬开关开通、二极管反向恢复应力增大以及潜在的器件损坏风险,因此需要避免在ZCS区域尤其是在负载突变时工作以保证系统可靠性。



图片

短路失效模式


短路时,MOSFET导通电流非常高(理论上无限高),频率也会降低。当发生短路时,谐振回路中Lm被旁路。LLC谐振变换器可以简化为由Cr和 Lr组成的谐振电路,因为Cr只与Lr发生谐振。短路时次级二极管在CCM模式下连续导通。短路状态下工作模式几乎与过载状态下一样,但是短路状态更糟糕,因为流经MOSFET体二极管的反向恢复电流更大。




图片

超结MOSFET优化

图片



由于体二极管在LLC谐振变换器中扮演了很重要的角色,它对失效机理至关重要,越来越多的应用使用内嵌二极管作为关键的系统元件,因此体二极管的许多优势得以实现。其中,重金属扩散和电子辐射是非常有效的解决方法。这种方法可以控制载流子寿命,从而减少反向恢复充电和反向恢复时间随着反向恢复充电的减少,反向恢复电流峰值和触发寄生BJT的可能性也随之降低。


旷通半导体在提升LLC谐振变换器性能的征途中,对铂扩散工艺进行了深刻的探索与精进。我们认识到,传统的均匀铂扩散虽能控制载流子寿命,但在追求极致性能的当下已显不足。因此,旷通专注于铂原子扩散剖面工程 (Platinum Diffusion Profile Engineering),创新性地集成了可控的磷扩散吸杂 (PDG) 技术作为铂扩散工艺的关键辅助环节。旨在实现对体二极管内部载流子寿命的三维空间优化,从而更有效地降低反向恢复电荷(Qrr)和反向恢复时间(Trr)。旷通最新一代扩铂产品 VMO65R280AFHT,其Qrr为1.6μC,Trr为210ns,正是这一技术努力的具体体现。


旷通半导体能够为LLC谐振变换器带来以下关键价值提升:


图片

进一步降低开关损耗

经过精密剖面优化的体二极管,其Qrr得到更有效的抑制。这直接减少了MOSFET开通时的电流尖峰和能量损失,为变换器效率的提升贡献了更坚实的基础。


图片

赋能更高开关频率与功率密度

更为理想的Trr特性,配合优化的Qrr,使得LLC谐振变换器在高频工作时更为从容,为磁性元件的小型化和功率密度的提升开辟了更大空间。


图片

提升系统可靠性与稳定性

通过对反向恢复行为的精细管理,降低了MOSFET的应力,并进一步减少了寄生效应的触发几率,从而增强了整个电源系统的长期可靠性与工作稳定性。


图片

优化EMI特性

更平滑、受控的反向恢复过程有助于改善电流变化率di/dt,从而为系统带来更优的EMI表现,简化了系统级的EMC设计。


图片

卓越的热性能

开关损耗的有效控制直接转化为更低的工作温度,这不仅有利于简化散热设计,延长器件寿命,也为系统在严苛环境下的稳定运行提供了保障。


图片


旷通半导体在铂扩散工艺上的持续投入和优化,使其体二极管在LLC谐振变换器等应用中展现出卓越的性能优势,更小的漏电流,为客户提供更高效率、更高可靠性和更高功率密度的解决方案。



图片



关于旷通 


无锡旷通半导体有限公司成立于2023年3月,是一家专注于车规级和工业级高端超高压大电流功率器件芯片研发、设计、销售的Fabless半导体技术公司。我们与华虹集团建立了紧密的合作关系,充分利用华虹作为全球领先的Fab厂的制造优势,确保产品的卓越品质和制造效率。


公司致力于半导体器件技术创新,主要研究方向以超高压平台和超大电流功率器件模块和其电源管理IC芯片模块为主,多项核心技术均已应用到主要产品设计之中。目前已开发十多款高性能功率器件产品如VLD Diffusion plate FRD、Spuer junction DTMOS、Trench FS IGBT等产品性能均达到国际先进水平,其中自主研发的新能源汽车直流大功率充电桩/逆变器/车载相关用核心芯片已成功量产,打破技术壁垒,填补了国内产业空白。


未来,公司将坚持“深耕高压大电流功率器件平台,大力开拓国内外汽车工业市场”企业核心价值观,不断扩大核心技术,并且努力加强三代半导体如GaN Hemt & SiCMOSFET等产品的设计能力,智造高性能功率器件芯片的国产标杆,高度注重客户需求,根据客户个性化需求进一步加快产品和工艺迭代开发,并提升供应保障能力,以高标准的产品和高品质的服务赢得客户满意!


图片

更多信息,请关注旷通半导体官方账号或访问公司官网https://www.vast-semi.com/。